Waterevolution Flow beépíthető mosdócsap PVD Gun Metal, 10 cm-es kifolyóval T116BME-10

Cikkszám 1208954148
Waterevolution Flow beépíthető mosdócsap PVD Gun Metal, 10 cm-es kifolyóval T116BME-10
194.309,46 Ft 261.846,11 Ft tart. 27% ÁFA
Megtakarítasz 67.536,65 Ft Ajánlat
Ingyenes szállítás
Ma rendelt, szállítás 5-6 hét múlva
Márka
Sorozat

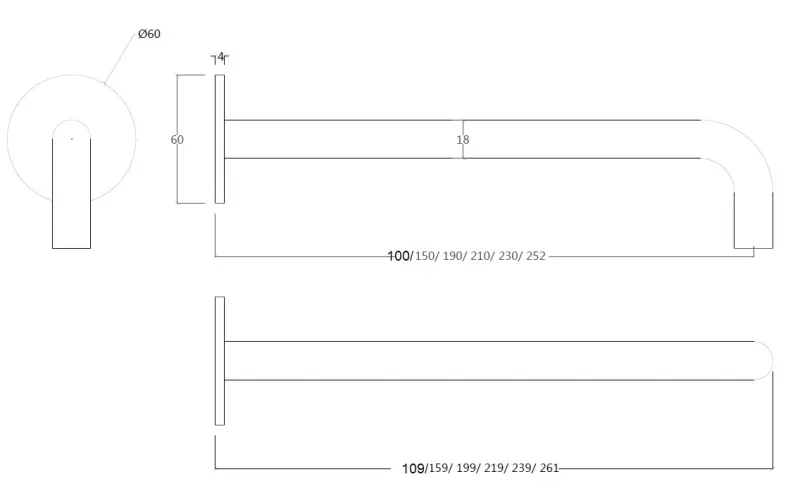
Kifutási hossz. Változatok

214.000+ elégedett ügyfél
Ingyenes szállítás 117.000 Ft
Egyszerű visszaküldés 30 napon belül
Környezetbarát szállítási lehetőségek
Minden erről a termékről
Termékinformáció

Waterevolution Flow beépíthető mosdócsaptelep PVD Gun Metal, 10 cm-es kifolyóval T116BME-10

Letisztult, időtálló és minőségi: ez a Waterevolution Flow sorozatú befejező szett minimalista megjelenést kölcsönöz fürdőszobájának. A technika a falban rejtve marad, míg a 10 cm-es PVD Gun Metal kifolyócső és a kezelőelemek kifinomult megjelenést kölcsönöznek.

Leírás
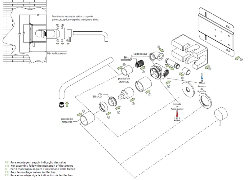
Ez a termék csak a beépíthető mosdócsaptelep látható, külső részét tartalmazza. A teljes telepítéshez beépíthető részre is szükség van. Három kompatibilis beépíthető rész közül választhat, amelyek külön kaphatók (lásd az alábbi opciókat).

Tulajdonságok és jellemzők

MárkaWaterevolution
SorozatFlow
TerméktípusBefejező elem (külsőleg látható rész)
SzerelésBeépítés, 2 lyukas konfiguráció
BefejezésGun metal
Kifolyó10 cm
AlkalmazásMosdó / fürdőszoba
KompatibilitásKombinálható a Waterevolution beépíthető alkatrészekkel (lásd az alábbi választási listát)
SzállításBefejező készlet (rozetták/kezelőelemek/kifolyó);  beépíthető alkatrész nem tartozék


Előny

  • Minimalista megjelenés — csak az elegáns kezelőelem és kifolyó látható, a technika a falban rejtőzik.
  • Tartós minőség — PVD Gun metal bevonat és szilárd anyagok a hosszú élettartam érdekében.
  • Rugalmasan kombinálható — válassza ki a projektjéhez illő beépítőelemet (standard, állítható vagy izoboxos).

Figyelem a megrendeléskor

  • Ez a termék csak a beépítőelem; a beépítőelemet külön kell megrendelni.
  • Ellenőrizze a kompatibilitást a választott beépítőelemmel és a kívánt közép távolsággal/pozícióval.
  • A látható készlet tartalmazza a kezelőelemeket/rozettákat/kifolyót; a csatlakozások és a beépítő egység a beépítőelemben találhatóak.


Specifikációk
Márka Waterevolution
Szín Gun metal
Kifutási hossz. 100mm
Sorozat Flow
Csaplyukak száma 2-lyukú
Szerelési mód Beépítés
Anyag Rozsdamentes acél
Beépített részegységgel együtt Igen
Kerámia felsőrész Igen
Zárószerkezet Kerámia betét
Rozettákkal / fedőlappal Igen
Fogás Szoros fogás
Összetétel Teljes
Fedőrozettaméret 60
Végrehajtás csúszás Szilárd
Kezelési mód Kéz
Bevonat PVD
Termékosztály Mosdócsaptelep
Szállítási információk
Rendeléseink többségét különféle szállítmányozókkal küldjük. Néha más szállítókat is igénybe veszünk specifikus rendelések kézbesítésére vagy a fő szállítmányozók tehermentesítésére, hogy teljesíthessük szállítási ígéreteinket.

A várható szállítási idő mindig megjelenik a termékoldalon. A legtöbb raktáron lévő termékünket még aznap elküldjük. A szállítást megelőző este nyomonkövetési információkat kap egy időintervallummal a szállításhoz. Fontos tudni: a kiválasztott szállítóink sofőrjei a termékeket a földszinti bejárati ajtóig szállítják.

Szintén a nagyobb termékek, mint például a gránit mosogatók, nagy törékeny mosogatók, szekrények stb. esetében este nyomonkövetési kódot kap. Ezeket a termékeket nem kézbesítik a szomszédoknak, és aláírás szükséges, így valakinek otthon kell lennie, hogy átvegye a terméket. Megjegyzés: ezeket a nagy termékeket nem kézbesítik szombaton!

Ha egy nagy termék kézbesítése az első próbálkozáskor nem sikerül, a szállítmányozó e-mailben vagy SMS-ben felveszi önnel a kapcsolatot, hogy egy ütemtervet küldjön, hogy kiválaszthassa az időpontot, amikor otthon lesz.

Szállítási pótdíjak 30–100 € között vonatkoznak a szigetekre történő szállítmányokra, a vízi szállítás és a korlátozott hozzáférhetőség miatti további logisztikai költségek miatt, és pótdíjak érvényesek a raklapos szállítmányokra a törékeny és nehezebb termékek szállításához.
Információk a gyártóról Waterevolution
Waterevolution

A Waterevolution egy portugál gyártó, amely fürdőszobai, WC- és konyhai csaptelepeket készít. Ellentétben sok más csaptelep „márkával”, a Waterevolution valódi gyártó. Vezető portugál tervezőkkel dolgoznak együtt csaptelep sorozataik fejlesztésén.

A Waterevolution rozsdamentes acél csaptelepei 100%-ban tömör 316 rozsdamentes acélból készülnek. Nemrégiben ezek a csaptelepek PVD bevonattal is elérhetők Gun Metal, Sárgaréz, Réz és Arany színekben.

Mivel a csaptelepeket Portugáliában gyártják, az áruk jelentősen alacsonyabb, mint más, ugyanolyan minőségű európai design csaptelep márkáké.

Előnyök és hátrányok

Szakértőnk szerint

Kopásálló és karcolásálló felület

A színek nem halványulnak gyorsan
Ellenáll az oxidációnak és a foltoknak
Tartósabb, mint a festett szín

A kemény víz foltokat okozhat

Nem minden tisztítószer alkalmas

Our top specialist

Van vállalkozása?

Férjen hozzá exkluzív B2B előnyökhöz!

Igényeld a B2B-fiókodat
3.801 Ft Kedvezmény
Csatlakozz a Loriano közösségéhez – otthonszépítőknek
Készen állsz a kapcsolódásra és exkluzív tartalomra? Hírlevelünk stílusötleteket, projekt-útmutatókat, korai hozzáférést az akciókhoz és első betekintést az újdonságokba kínál. Iratkozz fel most, és azonnal megkapod a 3.801 Ft értékű üdvözlő kupont!

Válassza ki az országát:
Bank transfer Card Apple Pay Google Pay
Loriano.hu | Copyright 2006 - 2026 | Minden jog fenntartva | Sütik